1、:CH-SJTT spoke weighing sensor
Product feature:Ch-sjtt wheel-spoke weighing sensor is made of high-quality stainless steel or high-quality aluminum alloy (200kg), with high precision, high stability, low shape, easy to install, fast and so on.It is suitable for testing machine and can be used in both directions of tension and compression.
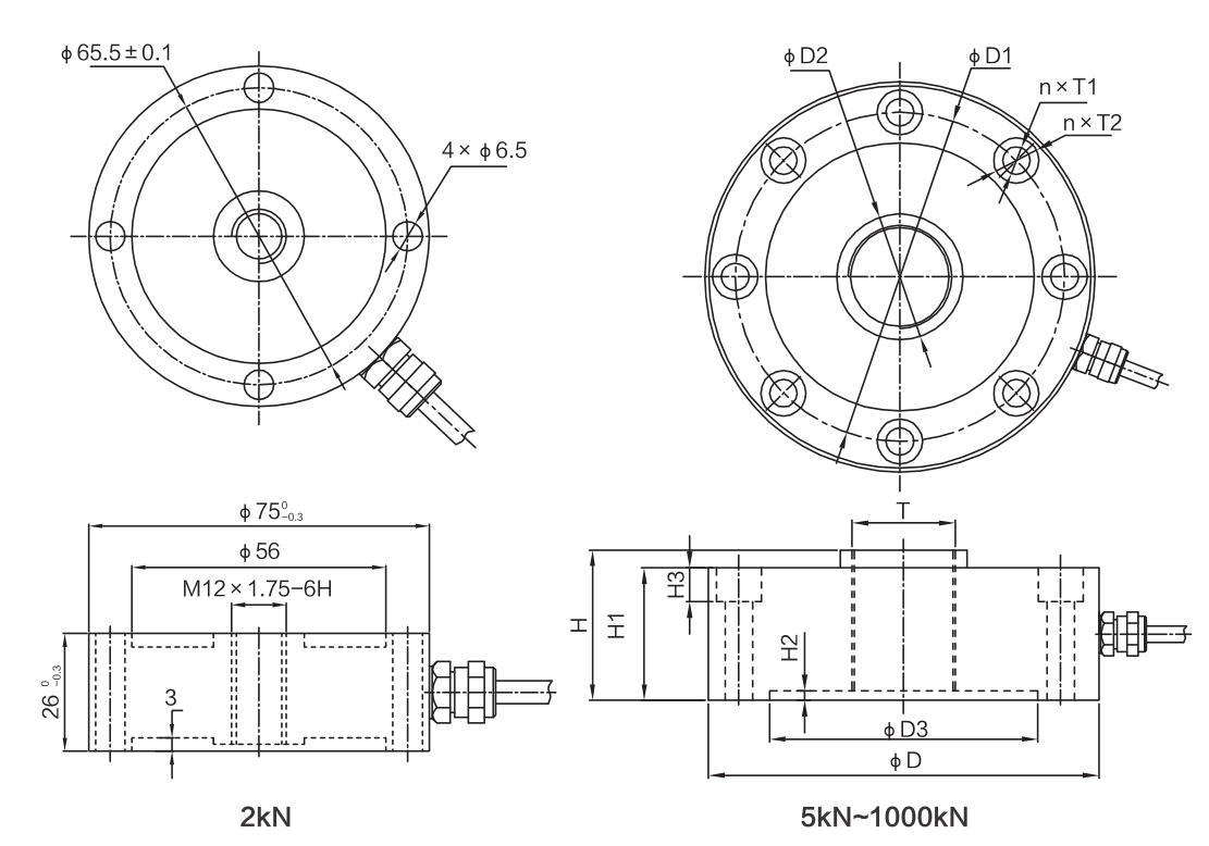
Range:2kN(200kg)、5kN(500kg)、10 kN(1t)、15 kN(1.5t)、20 kN(2t)、25 kN(2.5t)、30 kN(3t)、50 kN(5t)、100 kN(10t)、200 kN(20t)、300 kN(30t)
Dimensions:
|
Range(kN) |
|
D |
D1 |
D2 |
D3 |
H |
H1 |
H2 |
H3 |
T |
n*T1 |
n*T2 |
|
5-10 |
mm |
90 |
78 |
22 |
65 |
40 |
43 |
3.0 |
6 |
M12x1.75 |
8xφ6.6 |
8xφ10.5 |
|
15-25 |
mm |
105 |
89 |
32 |
75 |
35 |
32 |
3.0 |
7.2 |
M16x2 |
8xφ7.2 |
8xφ10.5 |
|
50-100 |
mm |
138 |
110 |
44 |
88 |
46 |
41 |
3.0 |
12 |
M27x2 |
8xφ13.2 |
8xφ19 |
|
200-300 |
mm |
165 |
130 |
55 |
96 |
50 |
41 |
3.0 |
20 |
M36x2 |
8xφ21 |
8xφ31 |
|
500 |
mm |
234 |
194 |
-- |
150 |
60 |
55 |
4.7 |
22 |
M52x2 |
16xφ21 |
16xφ32 |
|
1000 |
mm |
258 |
218 |
-- |
174 |
60 |
57 |
3.0 |
22 |
M76x2 |
16xφ21 |
16xφ32 |
Specification:
|
Specifications |
|
|
|
|
Rated Output |
3.0mV/V±0.003 |
Input impedance |
385±10Ω |
|
Non-linearity |
±0.05%F.S |
Output impedance |
351±3Ω |
|
Hysteresis |
<±0.05%F.S |
Insulation resistance |
≥5000MΩ |
|
Repeatability |
<±0.05%F.S |
Allow excitation voltage |
5~15V/DC |
|
Creep |
<±0.05%F.S/30min |
Compensated temp. range |
-10℃~+40℃ |
|
Temp. effect on zero |
<±0.03%/10℃ |
Operating temp. range |
-30℃~+70℃ |
|
Temp. effect on output |
<±0.03%/10℃ |
Safe overload |
150%F.S |
|
Zero balance |
<±1%F.S |
Ultimate overload |
300%F.S |
|
Connection |
Excitation:+ Red - Black Shield: Thick Yellow Signal: + Green - White |
||






Tel:







15621850939
2370849295@qq.com
2370849295
Address:28988 Jingshi Road, Huaiyin District, Jinan