1、CH-1B spoke weighing sensor
Product feature:The CH-LF1 wheel-spoke weighing sensor is made of high-quality stainless steel, featuring high precision, high stability, low profile, easy installation and fast speed.It is suitable for testing machine and can be used in both directions of tension and compression.
Range:500kg,1t,2t,3t,5t,10t,20t,30t
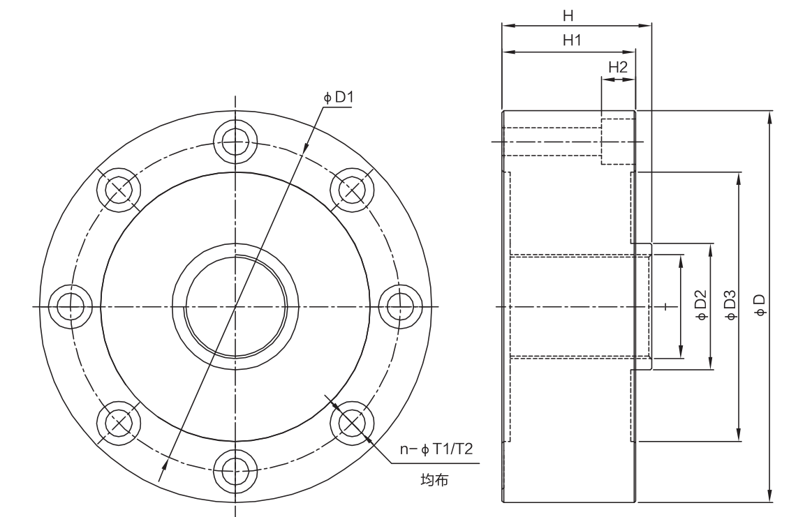
Dimensions:
|
Range(kN) |
|
D |
D1 |
D2 |
75 |
H |
H1 |
T |
T1 |
T2 |
n |
H2 |
|
5-50 |
mm |
105 |
89 |
32 |
75 |
37 |
34 |
M16x1.5 |
7.5 |
10.5 |
8 |
7.2 |
|
100-250 |
mm |
120.6 |
101.8 |
39 |
83 |
48 |
41 |
M32x1.5 |
8.5 |
14 |
8 |
10.5 |
|
300 |
mm |
141 |
116.8 |
50.4 |
97 |
57 |
50.8 |
M40x1.5 |
11 |
18 |
8 |
11 |
Specification:
|
Specifications |
|
|
|
|
Rated Output |
3.0mV/V±0.003 |
Input impedance |
385±10Ω |
|
Non-linearity |
±0.05%F.S |
Output impedance |
351±3Ω |
|
Hysteresis |
<±0.05%F.S |
Insulation resistance |
≥5000MΩ |
|
Repeatability |
<±0.05%F.S |
Allow excitation voltage |
5~15V/DC |
|
Creep |
<±0.05%F.S/30min |
Compensated temp. range |
-10℃~+40℃ |
|
Temp. effect on zero |
<±0.03%/10℃ |
Operating temp. range |
-30℃~+70℃ |
|
Temp. effect on output |
<±0.03%/10℃ |
Safe overload |
150%F.S |
|
Zero balance |
<±1%F.S |
Ultimate overload |
300%F.S |
|
Connection |
Excitation:+ Red - Black Shield: Thick Yellow Signal: + Green - White |
||






Tel:






15621850939
2370849295@qq.com
2370849295
Address:28988 Jingshi Road, Huaiyin District, Jinan