Product Name:CH-HLJ Cantilever weight sensor
Product Features:CH-HLJ cantilever weighing sensor is made of high quality alloy steel, with high precision, high stability and other characteristics, easy to install, fast, suitable for mixing station, belt scale, batching scale and platform scale, etc..
Range:2.5 kN(250kg)、5 kN(500kg)、10 kN(1t)、20 kN(2t)、30 kN(3t)、50 kN(5t)
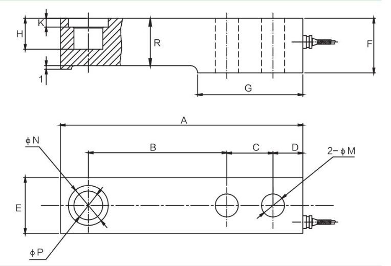
Dimensions:
|
Range(kN) |
Range(t) |
|
A |
B |
C |
D |
E |
F |
G |
H |
K |
M |
N |
P |
R |
|
2.5-10 |
0.25-1 |
mm |
133.4 |
76.2 |
25.4 |
16.4 |
30.7 |
30 |
57.9 |
17 |
4.8 |
12.7 |
22 |
15.9 |
28 |
|
20 |
2 |
mm |
136.7 |
76.2 |
25.4 |
16.7 |
36.8 |
36.6 |
57.9 |
23 |
9.5 |
12.7 |
22 |
15.9 |
33 |
|
30 |
3 |
mm |
139.7 |
79.2 |
25.4 |
16.7 |
39 |
36.6 |
57.9 |
23 |
9.5 |
15 |
22 |
15.9 |
34.5 |
|
50 |
5 |
mm |
171.5 |
95.2 |
38.1 |
16.7 |
42.9 |
43 |
73.8 |
29.4 |
11 |
19 |
34.9 |
22.2 |
40 |
Specifications:
|
Specifications |
|
|
|
|
Rated Output |
2.0mV/V±1% |
Zero Balance |
±1%F.S |
|
Comprehensive Precision |
0.03%F.S |
Input Impedance |
381±4Ω |
|
Linearity/ Hysteresis |
±0.03%F.S |
Output Impedance |
350±1Ω |
|
Repeatability |
±0.03%F.S |
Insulation Impedance |
≥5000MΩ |
|
Creep |
±0.03%F.S/30min |
Recommended Excitation Voltage |
5~15V/DC |
|
Temp. Effect On Zero |
±0.02%/10℃ |
Compensated temp. Range |
-30℃~+70℃ |
|
Temp. Effect On Output |
±0.02%/10℃ |
Safe Overload |
150%F.S |
|
Connection |
Excitation:+ Red - Black Shield: Thick Yellow Signal: + Green - White |
||






Tel:







15621850939
2370849295@qq.com
2370849295
Address:28988 Jingshi Road, Huaiyin District, Jinan